



Το υγειονομικό μοντέλο Geberit Monolith (κωδ. 131.021.SI.5) είναι μια εκλεπτυσμένη, λειτουργική και αισθητική λύση για την εγκατάσταση κρεμαστών λεκάνων. Σχεδιασμένο με μπροστινό γυαλί υψηλής ποιότητας και πλευρές από βουρτσισμένο αλουμίνιο, συνδυάζει μοντέρνο σχεδιασμό με προηγμένη τεχνολογία για να προσαρμόζεται τόσο σε έργα νέας κατασκευής όσο και σε ανακαινίσεις.
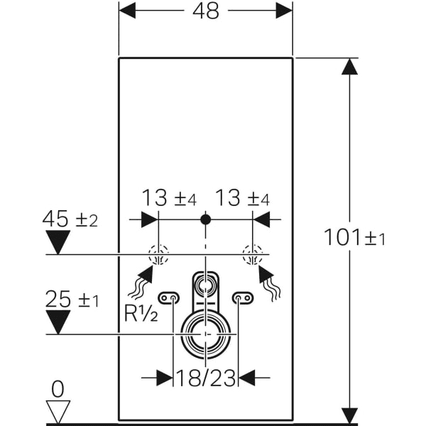
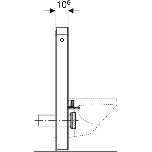
Αυτό το μοντέλο ύψους 101 cm είναι σχεδιασμένο για χρήση με κρεμαστές λεκάνες, συμπεριλαμβανομένων μοντέλων με λειτουργία μπιντέ όπως το Geberit AquaClean. Είναι ιδανικό για εγκαταστάσεις όπου η αποχέτευση βρίσκεται στον τοίχο σε ύψος άνω των 23 cm, επιτρέποντας την αντικατάσταση λεκάνων με χαμηλή ορατή δεξαμενή χωρίς την ανάγκη μεγάλων οικοδομικών εργασιών.
Το σύστημα είναι αυτοφερόμενο και μπορεί να τοποθετηθεί απευθείας πάνω στο τελειωμένο δάπεδο και μπροστά από ελαφρούς τοίχους ή τοίχους κατασκευής. Το ύψος στερέωσης της κεραμικής λεκάνης είναι ρυθμιζόμενο (35 ± 1 cm) και η δομή επιτρέπει αντιστάθμιση ανοχών έως 7 cm, διευκολύνοντας την ενσωμάτωσή του σε χώρους με μη τυπικές διαστάσεις.
Η ενσωματωμένη δεξαμενή είναι πλήρως μονωμένη κατά της συμπύκνωσης, εξασφαλίζοντας αθόρυβη λειτουργία χωρίς διαρροές. Περιλαμβάνει σύστημα διπλής εκκένωσης 6/3 λίτρων, με δυνατότητα ρύθμισης του συνολικού όγκου στα 4,5 ή 6 λίτρα, διατηρώντας μια μερική εκκένωση 3 λίτρων. Αυτά τα χαρακτηριστικά επιτρέπουν υπεύθυνη χρήση του νερού, συμμορφούμενα με τις τρέχουσες κανονιστικές απαιτήσεις βιωσιμότητας.
Το μοντέλο περιλαμβάνει κάτω σύνδεση παροχής, αν και επιτρέπει επίσης πλευρική είσοδο μέσω προαιρετικών εξαρτημάτων. Χάρη στον λειτουργικό του σχεδιασμό, όλες οι συνδέσεις, συμπεριλαμβανομένων των συστατικών παροχής και εκκένωσης, παραμένουν κρυφές, προσφέροντας καθαρή και κομψή εμφάνιση.
Το υγειονομικό μοντέλο Geberit Monolith συνδυάζει σύγχρονο σχεδιασμό, ευκολία εγκατάστασης και προηγμένη λειτουργικότητα. Η αισθητική του με μπροστινό γυαλί και υψηλού επιπέδου χαρακτηριστικά το καθιστούν την τέλεια επιλογή για όσους επιθυμούν να ανανεώσουν το μπάνιο τους με στυλ, τεχνολογία και αποδοτικότητα.